аудио салон, офис, отдел продаж: +7(925) 201-82-55     
E-mail: sales@ALTaudio.ru     
консультации: +7(901) 528-71-65     
Быстрый заказ   Оплата   Доставка   Статьи   Новости/Акции   О нас   Контакты
Каталог товаров
НОВИНКИ
- Цоколь под 211 лампу
- Комплект (kit)для Ria корректора
- Силовой трансформатор для гибридного усилителя
Усилители для наушников
- Alt №1 (Alt N1)
Для кроссовера
- Аттенюаторы
- Катушки индуктивности
- Наборы индуктивностей
- На заказ
Трансформаторы
- Выходные трансформаторы
- Межкаскадные
- Аттенюаторы
- Входные трансформаторы
- Силовые трансформаторы
- Дроссели
- Низкоомные дроссели
- Кондиционер питания, балансное
подключение

- MC-трансформаторы
- Выносные блоки с MC-трансформаторами
- Под заказ
   - Анодные
   - Накальные
   - Анодно-накальные
   - Для гитарных усилителей
Трансформаторное железо и комплектующие
- Аморфные сердечники
- Ш-образное железо M6 (EI)
- Оптовые цены на Ш-железо
- Витое железо M4 разрезные сердечники (Cut-core)
- П железо
- Пермаллой
- Каркасы
- Крышки рамки уголки колпаки
- Втулки изолирующие
- Латунный крепеж и стальные болты
- Лакоткань, электрокартон
- Провод моточный ПЭТВ-2
усилители делаем усилители усилители на заказ усилители для головных телефонов трансформатор дроссели (chokes) делаем трансформаторы изготовление трансформаторов трансформаторы на заказ трансформаторное железо M6 трансформаторное железо M4 Cut core (разрезные сердечники) каркасы (катушки для трансформаторов)
усилители для головных телефонов, трансформаторы, трансформаторное железо
Усилители для наушников: Alt N1 Готовые трансформаторы: выходные, силовые, дроссели, на заказ Все для трансформаторов: аморфы, железо, каркасы, крышки, крепеж, др.
ALTaudio.ru > Каталог товаров > Ш-образное железо (EI М6)> EI 150E (a)
EI 150E (a)

EI 150E (a) Трансформаторное железо EI 150E (a) с расширенным окном, отожженное, Германия
Трансформаторное железо EI 150E (a) с расширенным окном, отожженное, Германия
Страна-импортер: Германия
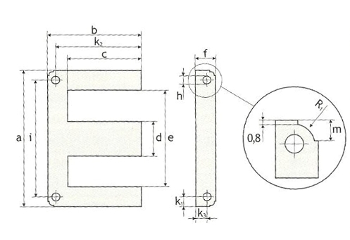
Размеры (ШхВ), мм: 150х120
Серединный керн, мм: 40
Размеры окна(ШхВ), мм: 35х80

Толщина пластин, мм: 0.35

Вес в 10 мм набора - 926 г
Цена за 10 мм набора - 2119.89 руб.
Цена за кг, руб.: 2290,00
Опт. цена за кг (общий вес заказа от 100 кг), руб.: 2061,00
Опт. цена за кг (общий вес заказа от 300 кг), руб.: договорная

На складе: под заказ

Измерения читайте в статье
Все оптовые цены на железо здесь
Купить
Подходящие каркасы

пластиковый без перегородки

пластиковый с перегородкой

другие каркасы

под заказ

Железо - опт
Оптовые цены -10% на трансформаторные сердечники


Быстрый заказ
Все товары на одной странице, здесь есть ед. измерения, цены, удобно вносить количество, Быстрый заказ расчитает стоимость Вашего заказа и поможет отправить заказ менеджеру автоматически
Перейти к Быстрому заказу

Способы доставки
  • отправка заказа на следующий день после оплаты
  • самовывоз со склада в Новой Москве - Остафьево
  • доставка Деловыми Линиями по всей России - от 490 руб.
  • доставка службой СДЕК по всей России - от 490 руб.
  • доставка курьером по Москве и Московской обл. - от 490 руб.
  • доставка EMS Почта России, Почтой России
  • доставка другими грузоперевозчиками
  • подробно

    Способы оплаты
    - оплата заказа по квитанции в любом банке;
    - оплата по счету;
    - оплата через PayPal;
    подробно

    О компании
    контакты
    сделать заказ
    акции
    новости
    статьи
    Наша продукция
    усилители
    трансформаторы
    дроссели (chokes)
    Ш-образное, П-образное трансформаторное железо
    витое железо M4 Cut-core разрезные сердечники
    каркасы, катушки для трансформаторов
    крышки и крепеж для трансформаторов
    изоляционные материалы
    провод ПЭТВ-2
    Мой заказ
    быстрый заказ
    оплата
    доставка
    сделать заказ:
    - по тел.: +7(925) 201-82-55
    - по E-mail: sales@ALTaudio.ru
    консультации:
    - по тел: +7(901) 528-71-65
    Top.Mail.Ru Яндекс.Метрика